VAN BƯỚM
Giá bán:
Mô tả
1. Van bướm là gì?
Van bướm là cái tên được đặt dựa theo cấu tạo và cơ chế hoạt động chính của van. Phần đĩa van bên trong có hình giống cánh bướm, có thể định vị ở các góc đóng/ mở khác nhau giúp điều chỉnh lưu lượng dòng chảy trong đường ống.
2. Phân loại van bướm

3 loại van bướm chính
Cũng như các loại van công nghiệp khác, van bướm được phân loại dựa theo cách vận hành, xuất xứ hay theo chất liệu tạo thành như:
- Van bướm tay quay
- Van inox hình bướm
- Van bướm điều khiển điện
- Van bướm điều khiển khí nén
- Van cánh bướm Đài Loan
- Van hình bướm
- Van bướm nối mặt bích
- Van bướm bắt bulong...v.v...
Tùy theo thiết bị hay đường ống dẫn mà cần lựa chọn loại van bướm cho phù hợp để tránh trường hợp không lắp vào được, hoặc các bộ phận không ăn khớp với nhau, làm hỏng hoặc thiệt hại trong quá trình vận hành.
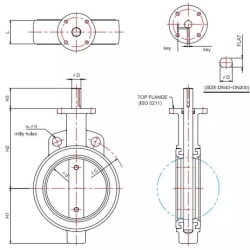
3. Cấu tạo van bướm
Tuy van bướm có các loại có cơ chế vận hành khác nhau nhưng chúng đều có các bộ phận chính sau:
Đĩa van: Hình cánh bướm, thường được làm bằng gang, inox, thép...Đĩa van có thể đóng mở tạo các góc khác nhau làm điều chỉnh dòng lưu lượng chất trong ống dẫn
Thân van: Là lỗ để bắt bulong hoặc mặt bích làm bằng inox, gang, nhựa...giúp cố định vị trí của van trên đường dẫn
Bộ phận điều khiển đĩa van ( tay quay, tay gạt hay bộ điều khiển): Thường ở phía trên của thân van, là bộ phận sẽ “truyền lệnh” để cánh bướm trong đĩa van tạo các góc đóng mở khác nhau khi gạt/ quay/ hay điều khiển.
Bộ phận làm kín: là gioăng làm khít tránh chất lỏng hay khí trong ống dẫn thoát ra ngoài, chất liệu thường là cao su, PDFE, TEFLON
4. Lưu ý khi lắp đặt van bướm
- Đường kính của 2 đường ống lắp van bướm phải bằng nhau để đảm bảo không gian hoạt động cho đĩa van.
- Cần phải có một khoảng cách mặt bích vừa đủ để lắp van để không làm hư hại miếng đệm(sleeve)
- Không sử dụng miếng đệm (gasket)giữa mặt bích và van
- Kích thước mặt bích phải đồng nhất kích thước van
- Không được hàn mặt bích gần van bướm đã được lắp đặt.
- Đối với van bướm đường kính lớn, khi lắp đặt thì ưu tiên lắp van với trục ti nằm ở vị trí ngang
- Khi tiến hành quay tay quay theo ngược chiều kim đồng hồ là thực hiện quá trình mở van. Ngược lại khi quay tay quay theo cùng.chiều kim đồng hồ là hiện quá trình đóng van. Việc đóng mở chỉ cần quay tay quay hoặc điều khiển cơ cấu đóng ở mọi góc độ.
- Đặt van bướm ở vị trí mở ¼ trước khi lắp đặt để tránh làm biến dạng miếng đệm(sleeve) do xiết quá chặt, làm kẹt và rò rỉ.
- Xiết chặt các ốc, vít từ từ theo mặt phẳng
5. Lưu ý khi vận hành van bướm
- Van bướm dễ hỏng khi mở điều tiết từ 15 – 75 độ C
- Giữ sạch và bôi trơn cho bộ phận điều khiển đĩa van (tay gạt, tay quay)
- Sau khoảng 2 -3 năm sau khi sử dụng, nên tháo van để kiểm tra tình trạng các bộ phận bên trong. Có thể thay mới nếu cần thiết.
6. Nhà phân phối van bướm giá tốt
Eriko là Công ty chuyên cung cấp các thiết bị cơ điện lạnh với chất lượng cao và giá thành hợp lý. Dần chiếm lĩnh thị trường với niềm tin của khách hàng, Eriko không ngừng nỗ lực để mang tới cho khách hàng của mình những thiết bị van bướm bền, rẻ. Đến với chúng tôi, các bạn hoàn toàn có thể an tâm về lựa chọn của mình bởi chính sách bán hàng không nơi đâu có:
THAM KHẢO CÁC SẢN PHẨM VAN CÔNG NGHIỆP DO ERIKO CUNG CẤP
Trang chủ







