VAN BI BA NGÃ ĐIỀU KHIỂN ĐIỆN LẮP BÍCH
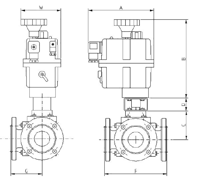
1. THÔNG SỐ KĨ THUẬT VAN BI BA NGÃ ĐIỀU KHIỂN ĐIỆN LẮP BÍCH

MUA NGAY SẢN PHẨM CÙNG LOẠI: VAN BI BA NGÃ ĐIỀU KHIỂN KHÍ NÉN3. CÁC CHẾ ĐỘ ĐẢM BẢO QUYỀN LỢI CHO KHÁCH HÀNG
VAN BI BA NGÃ ĐIỀU KHIỂN ĐIỆN LẮP BÍCH
1. THÔNG SỐ KĨ THUẬT VAN BI BA NGÃ ĐIỀU KHIỂN ĐIỆN LẮP BÍCH

MUA NGAY SẢN PHẨM CÙNG LOẠI: VAN BI BA NGÃ ĐIỀU KHIỂN KHÍ NÉN
Sản phẩm bảo đảm chất lượng.
Cho đơn hàng từ 2 triệu đồng.
Hotline: (+84) 984666480
Trong vòng 7 ngày